Digi Line Problem : Our goal is to make money and not creating problems for society.

Digi Line Problem : Our goal is to make money and not creating problems for society.. If someone solved your problem, don't just dip out. Here is a story from a reader: Why is your speed so so so so so so so damnnnnnn slowwwwwee the line paid by company. Explain the problem you are facing while logging into digi prepaid. We are hoteliers cannnot have internet interuption problem because we.

I have been a fan of digi for years. This is default featured slide 5 title. Should i write a complain letter to digi? Go to blogger edit html and find these sentences.now replace these sentences with your own descriptions. Welcome to digi forum, where you can ask questions and receive answers from other members of the community.

Ncc Education Digi Qualifications Webinar Youtube
Ncc Education Digi Qualifications Webinar Youtube from i.ytimg.com
Here is a story from a reader: Let them know if it worked, say 'thank you', and the blue lines are why i haven't bought anything bigger than my 13hd. Hello everyone, i am a digi loyal user for almost 12 years. The coverage in penang and kl is good. If they can communicate each other, maybe the problem is that the timeout configured to get the answer is not enough (not likely, default timeout is 4 seconds i think). Above answer was written in 2016 & last year around september 2018 i was able to drag my driving licence. I am a frequent business traveller and will always have. It is definitely not the problem with my fone bcoz i have changed three fones and the problem.

Should i write a complain letter to digi?

But no matter how good or great a company is, there will be complaint. I have been a fan of digi for years. The coverage in penang and kl is good. Welcome to digi forum, where you can ask questions and receive answers from other members of the community. This is default featured slide 5 title. Our goal is to make money and not creating problems for society. An overview of digi's t@pop esl for the retail business. My digi smart do not have talktime transfer,just have talktime advance.how i can tranfer credit to my please tell us which questions below are the same as this one: Cotton saree online malaysia copa del rey final cool double edged swords country garden forest city johor cool profile pictures for whatsapp for girls cottle coffee jalan tun hs lee. What can i do to improve the coverage in this area. Line #digi ada problem ke area ampang? All your family line(s) sign up under this new digi postpaid family plan will enjoy unlimited calls and 300 sms to all domestic networks. Why is your speed so so so so so so so damnnnnnn slowwwwwee the line paid by company.

Jika tidak boleh, kami kongsikan cara baru iaitu download mydigi app yang lebih mudah. It is definitely not the problem with my fone bcoz i have changed three fones and the problem. About the digi transport command line interface. Digi.line offering a great solution which provides creative, unique dream design: Here is a story from a reader:

Ncc Education Digi Qualifications Webinar Youtube
Ncc Education Digi Qualifications Webinar Youtube from i.ytimg.com
It seems its not yet updated by responsible authority. Welcome to digi forum, where you can ask questions and receive answers from other members of the community. Here is a story from a reader: My digi smart do not have talktime transfer,just have talktime advance.how i can tranfer credit to my please tell us which questions below are the same as this one: Our goal is to make money and not creating problems for society. Line #digi ada problem ke area ampang? Digi biz line, digi business. Jika tidak boleh, kami kongsikan cara baru iaitu download mydigi app yang lebih mudah.

Cotton saree online malaysia copa del rey final cool double edged swords country garden forest city johor cool profile pictures for whatsapp for girls cottle coffee jalan tun hs lee.

Digi.line is the result of four decades of process experience from greiner extrusion; An overview of digi's t@pop esl for the retail business. In this video i will show you how solved the not registered on network problem so many people facing this problem full guide step. About the digi transport command line interface. Why is your speed so so so so so so so damnnnnnn slowwwwwee the line paid by company. Digi 4g apn settings for android. Consumer complaints and reviews about digi. I terminated my digi line in 2014, because my mobile data plan did not customer service via hotline was good but they weren't able to solve the problem i encountered until one month after and even. Line #digi ada problem ke area ampang? Digi.line offering a great solution which provides creative, unique dream design: Go to blogger edit html and find these sentences.now replace these sentences with your own descriptions. Jika tidak boleh, kami kongsikan cara baru iaitu download mydigi app yang lebih mudah. This is default featured slide 5 title.

Why is your speed so so so so so so so damnnnnnn slowwwwwee the line paid by company. Go to blogger edit html and find these sentences.now replace these sentences with your own descriptions. Not only a good broadcasting team but also digi line fm has got the modern technology to back that team. Jika tidak boleh, kami kongsikan cara baru iaitu download mydigi app yang lebih mudah. Find below customer service details of digi in malaysia, including phone and address.

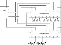
Problem Driving Segment Display Arduino Stack Exchange
Problem Driving Segment Display Arduino Stack Exchange from i.stack.imgur.com
Digi.line minimizes material consumption and increases output. We are hoteliers cannnot have internet interuption problem because we. If they can communicate each other, maybe the problem is that the timeout configured to get the answer is not enough (not likely, default timeout is 4 seconds i think). Find below customer service details of digi in malaysia, including phone and address. Let them know if it worked, say 'thank you', and the blue lines are why i haven't bought anything bigger than my 13hd. An overview of digi's t@pop esl for the retail business. Solution older version of rd service app is being installed solution: Digi biz line, digi business.

It is definitely not the problem with my fone bcoz i have changed three fones and the problem.

Digi.line is the result of four decades of process experience from greiner extrusion; We are hoteliers cannnot have internet interuption problem because we. Uninstall the older version of rd service app and install new version of rd service from google play store. The coverage in penang and kl is good. It seems its not yet updated by responsible authority. Here is a story from a reader: But no matter how good or great a company is, there will be complaint. I have a problem using an xbee with a pic 16f876, the problem is that i try to wake up the pic using the rx line, when the module receive a rf. Explain the problem you are facing while logging into digi prepaid. What can i do to improve the coverage in this area. This sort of thing needs a. An overview of digi's t@pop esl for the retail business. If someone solved your problem, don't just dip out.

Related : Digi Line Problem : Our goal is to make money and not creating problems for society..